Atoutcamping-car
.com
Tout pour le véhicule de loisir
Accueil
Equipement extérieur
▼
Signalisation avant
Signalisation feux gabarit
Signalisation arrière
Marchepied
Pièces marche pied
Glissière et blocage
Serrure extérieure
Porte vélos camping-car
Porte-vélos fourgon
Porte-vélos caravane
Accessoires porte-vélos
Pièces porte-vélos
Echelle
Cale et vérin
Rétroviseur
Attelages
Train roulant
Pièces mover caravane
Coffre et accessoires
Mobilier plein air
Barbecue et réchaud
Produits carrosserie
Store
Adaptateur store
Accessoires stores
Auvent
Accessoires auvents
Pièces détachées store
Energie
▼
Batterie
Batterie lithium
Accessoire batterie
Panneau solaire
Accessoire solaire
Pile à combustible
Accessoires pour pile
Groupe électrogène
Coupleur séparateur
Prise attelage
Prise extérieure
Réseau électrique
Prise et interrupteur
Prise sur allume cigare
Chargeur
Transformateur
Tableau et sonde
Convertisseur
Ouvrant et occultant
▼
Baie Dometic Seitz S4
Baie Dometic Seitz S5
Baie Dometic Seitz S7P
Vitrage
Baies Polyplastic
Accessoires baies
Pièces détachées baies
Lanterneaux
Accessoires lanterneaux
Pièces lanterneaux
Isolants Thermoval
Rideaux isolants
Store et moustiquaire
Cassettes REMIS
Cassettes DB1R
Cassettes rast-rollo 3000
Aération
Porte de coffre
Aménagement
▼
Serrure et bouton
Vaisselle
Salle de bain
Lavabo et douche
Cabine
Eclairage à LED
Echelle intérieure
Couchage
Rangement
Accessoires de table
Accessoires de meuble
Equipement interieur
▼
Réfrigérateur à absorption
Réfrigérateur à compression
Glacière
Accéssoires refrigerateur
Pièces refrigerateur
Chauffage
Chauffe-eau
Accessoires chauffage
Accessoires chauffe-eau
Bouches et tuyaux chauffage
Pièces détachées chauffage
Chauffage aérotherme
Climatiseur
WC et accessoires
Pièces détachées WC
Réchaud
Combiné évier
Evier
Four et hotte
Pièces réchauds et fours
Alarme et détecteur
l'électroménager
Audio visuel
▼
TV
Antenne hertzienne
Pièces antennes
Support TV
Radar et vidéo
GPS
Circuit eau et gaz
▼
Bouchon et vanne
Pompe à eau
Douchette
Robinet
Réservoir d'eau
Réservoir spécifique
Réservoir mobile
Pièces réservoirs
Tuyaux alimentaires
Tuyaux
Raccord tuyau d'eau
Pièces détachées pompes
Produit WC et circuit eau
Détendeur et inverseur
Détendeur à capteur
Raccords et tuyaux
Vannes gaz
Accessoires gaz
Promo
▼
Promotions
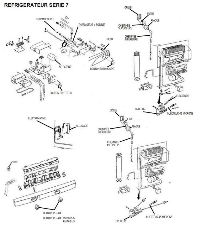
PIECES DETACHEES REFRIGERATEUR SERIE 7 DOMETIC
Prix:
55,00 € TTC
Référence:
ART3653
Facebook
Tweet
←
1
...
19
20
21
22
23
...
51
→